Приводные звездочки для цепей 24A-1, 24A-2, 24A-3
Плоские приводные звездочки для цепей 24A-1, 24A-2, 24A-3
| Шаг цепи 1'' 1/2 x 1'' | ||
| Звездочка | ||
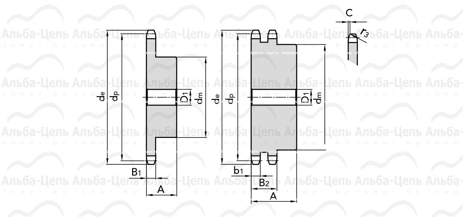
| Радиус закругления зуба, r3 | 40,5 | мм |
| Ширина фаски, C | 4,8 | мм |
| Ширина основания зуба, B1 | 24,1 | мм |
| Ширина основания зуба, b1 |
23,6 |
мм |
| Ширина основания зуба, B2 | 69,0 | мм |
| Цепь | ||
| Шаг | 38,1 | мм |
| Ширина между внутренними пластинами | 25,4 | мм |
| Диаметр ролика - Ø | 22,22 | мм |
| Материал изготовления | сталь 45 | |

Однорядная звездочка
| Однорядная звездочка | Двухрядная звездочка | ||||||||
| Количество зубьев | Посадочный диаметр (техническое отверстие) |
Диаметр окружности выступов |
Диаметр делительной окружности |
Вес | Количество зубьев | Посадочный диаметр (техническое отверстие) |
Диаметр окружности выступов |
Диаметр делительной окружности |
Вес |
| Z | D1 | de | dp | kg. | Z | D1 | de | dp | kg. |
| мм | мм | мм | кг | мм | мм | мм | кг | ||
| 8 | 8 | ||||||||
| 9 | 9 | ||||||||
| 10 | 10 | 6,00 | |||||||
| 11 | 11 | ||||||||
| 13 | 13 | ||||||||
| 14 | 14 | 8,00 | |||||||
| 16 | 25 | 214,77 | 195,29 | 4,70 | 16 | ||||
| 17 | 25 | 226,83 | 207,35 | 5,30 | 17 | 25 | 226,83 | 207,35 | 14,37 |
| 18 | 25 | 238,89 | 219,41 | 6,00 | 18 | 25 | 238,89 | 319,41 | 16,30 |
| 19 | 19 | ||||||||
| 20 | 25 | 263,03 | 243,55 | 7,70 | 20 | 25 | 263,03 | 243,55 | 20,00 |
| 21 | 21 | ||||||||
| 22 | 22 | ||||||||
| 23 | 23 | ||||||||
| 24 | 24 | ||||||||
| 25 | 25 | 323,47 | 303,99 | 12,02 | 25 | 25 | 323,47 | 303,99 | 33,50 |
| 30 | 30 | 383,97 | 364,49 | 17,50 | 30 | 30 | 383,97 | 364,49 | 49,10 |
| 32 | 30 | 408,19 | 388,71 | 20,60 | 32 | ||||
| 35 | 35 | ||||||||
| 38 | 30 | 480,85 | 461,37 | 28,00 | 38 | 30 | 480,85 | 461,37 | 81,45 |
| 41 | 33,85 | 41 | |||||||
| 42 | 42 | ||||||||
| 45 | 30 | 565,67 | 546,19 | 42,00 | 45 | 40 | 565,67 | 546,19 | 115,00 |
| 54 | 72,00 | 54 | |||||||
| 57 | 57 | 40 | 711,10 | 691,62 | 188,90 | ||||
| 76 | 120,00 | 76 | |||||||
Приводные звездочки со ступицей для цепей 24A-1, 24A-2, 24A-3
| 1'' 1/2 x 1'' | ||
| Звездочка | ||
| Радиус закругления зуба, r3 | 40,5 | мм |
| Ширина фаски, C | 4,8 | мм |
| Ширина основания зуба, B1 | 24,1 | мм |
| Ширина основания зуба, b1 |
23,6 |
мм |
| Ширина основания зуба, B2 | 69 | мм |
| Цепь | ||
| Шаг | 38,1 | мм |
| Ширина между внутренними пластинами | 25,4 | мм |
| Диаметр ролика - Ø | 22,22 | мм |
| Материал изготовления | сталь 45 | |

| Однорядная звездочка | Двухрядная звездочка | |||||||||
| Количество зубьев |
Диаметр окружности выступов |
Диаметр делительной окружности |
Диаметр ступицы |
Посадочный диаметр (техническое отверстие) |
Толщина звездочки со ступицей |
Вес | Диаметр ступицы |
Посадочный диаметр (техническое отверстие) |
Толщина звездочки со ступицей |
Вес |
| Z | de | dp | dm | D1 | A | Kg | dm | D1 | A | Kg |
| мм | мм | мм | мм | мм | кг | мм | мм | мм | кг | |
| 8 | 119,04 | 99,55 | 58 | 20 | 45 | |||||
| 9 | 130,88 | 111,40 | 70 | 20 | 45 | 2,67 | ||||
| 10 | 142,77 | 123,29 | 80 | 20 | 45 | 3,45 | ||||
| 11 | 154,71 | 135,21 | 90 | 25 | 50 | 4,26 | 3,45 | |||
| 12 | 166,69 | 147,22 | 102 | 25 | 50 | 5,22 | 102 | 25 | 100 | 4,26 |
| 13 | 178,68 | 159,18 | 114 | 25 | 50 | 6,29 | 114 | 25 | 100 | 5,22 |
| 14 | 190,70 | 171,22 | 128 | 25 | 50 | 7,05 | 128 | 25 | 100 | 6,29 |
| 15 | 202,73 | 183,26 | 140 | 25 | 50 | 140 | 25 | 100 | 7,05 | |
| 17 | ||||||||||
| 18 | ||||||||||
| 19 | ||||||||||
Необходима звездочка приводная по ГОСТу? Сделать заказ и купить цепь можно на нашем сайте по телефону ☎️ +375 29 374-65-96.
⏩ Предлагаем ознакомиться с другими цепями из нашего каталога.
